Beranda
/ Running Led Ic 4017 - Praktek Led Berjalan Dengan Ic 4017 Cara Mudah Belajar Elektronika Digital - Circuit diagram of the cd4017 based led light is shown in fig.
Running Led Ic 4017 - Praktek Led Berjalan Dengan Ic 4017 Cara Mudah Belajar Elektronika Digital - Circuit diagram of the cd4017 based led light is shown in fig.
Running Led Ic 4017 - Praktek Led Berjalan Dengan Ic 4017 Cara Mudah Belajar Elektronika Digital - Circuit diagram of the cd4017 based led light is shown in fig.. Slightly different from the running led with ic 4017 (decade counter), 8 running this led is lit in sequence, but that has been previously flame does not die when the led is lit afterwards. Cheap integrated circuits, buy quality electronic components & supplies directly from china suppliers:ne555 cd4017 running led flow light electronic production suite board diy kit module capacitor control oscillator clock siganal enjoy free shipping worldwide. The lm358 compares the voltage across the ir receiver led with the predefined value. I run a chasing led light with the 4017, clocked by a ne555. I have a question about the 4017:
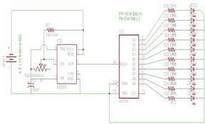
4017 ic is a cmos counter/divider integrated circuit, actually a decada counter with 10 decode ouputs. Simple led chaser hobby circuit can be made using 555 timer and cd4017 counter ic. Circuit diagram of the cd4017 based led light is shown in fig. If you want to build a 10 led chaser circuit we recommend this circuit first. The heart of the circuit of this led running light is the cmos ic 4017.
Led Circuit Page 18 Light Laser Led Circuits Next Gr from www.next.gr 8x8 led matrix (circuit diagram of matrix is below). The ic 4017 can be considered as one of the most useful and versatile chip having numerous electronic circuit applications. Aplikasi running led ini dapat dipasang sebagai aksesoris pada motor atau sebagai hiasan dan ornamen yang membutuhkan animasi cahaya yang. Selaian ic 4017 terdapat ic ne555 yang juga merupakan komponen penting pada running led ini, dimana fungsinya sebagai penghasil clock atau pulse untuk mengaktifkan output ic 4017, terdapat sebuah potensiometer atau resistor variabel yang berfungsi untuk mengatur waktu tunda (delay). Detailed working and explanation of the circuit diagram with pcb design. Further in a row in this area the ic 4017 configuration visit at this point. Circuit diagram of the cd4017 based led light is shown in fig. Led matrix oscilloscope this circuit is an educational led matrix oscilloscope by using ic lm3914 and cd4017.the max.
I run a chasing led light with the 4017, clocked by a ne555.
4017 ic is a cmos counter/divider integrated circuit, actually a decada counter with 10 decode ouputs. Ic 555 act as a multivibrator and generate frequency to be used for 4017 clock. Led matrix oscilloscope this circuit is an educational led matrix oscilloscope by using ic lm3914 and cd4017.the max. It uses a 555 timer and a 4017b decade counter. Running led adalah lampu berjalan yang dibangun menggunakan led yang disusun sedemikian rupa sehingga pada saat dihidupkan seperti berjalan. If you want to build a 10 led chaser circuit we recommend this circuit first. Skema rangkaian running led ic 4017 ini adalah termasuk rangkaian yang sangat sederhana dan mudah dipahami. I run a chasing led light with the 4017, clocked by a ne555. The circuit is useful for applications like running light systems in halls, decorations, dance programmes, counting and so on. Skema rangkaian running led unik menggunakan ic 4017 | oke, running led atau led berjalan ini adalah suatu rangkaian yang mampu membuat suatu led yang berjejer meyala berikut ini saya akan berikan juga tata letak beserta penjaluran dari rangkaian running led dengan 4017 dan ic 555 ini. You have already learnt quite a bit regarding the pin designation of this ic in one of my previous articles. The ic 4017 can be considered as one of the most useful and versatile chip having numerous electronic circuit applications. This is running leds circuit which use timer id ne555n and logic ic 4017n.
This is running leds circuit which use timer id ne555n and logic ic 4017n. Ic 4017 is the 5 stage johnson decade counter ic widely used in chaser lighting circuits. If you want to build a 10 led chaser circuit we recommend this circuit first. Watch in this video, variable running light circuit using ic cd4017. Simple led chaser hobby circuit can be made using 555 timer and cd4017 counter ic.
Ic 4017 Decade Counter Electronics Club Fans from joey89924.files.wordpress.com Slightly different from the running led with ic 4017 (decade counter), 8 running this led is lit in sequence, but that has been previously flame does not die when the led is lit afterwards. Best project for festivalvariable running led lights circuit diagram link. Selaian ic 4017 terdapat ic ne555 yang juga merupakan komponen penting pada running led ini, dimana fungsinya sebagai penghasil clock atau pulse untuk mengaktifkan output ic 4017, terdapat sebuah potensiometer atau resistor variabel yang berfungsi untuk mengatur waktu tunda (delay). Rcd trip time tester without using microcontroller. This circuit shows the familiar lights which are used on police cars. The heart of the circuit of this led running light is the cmos ic 4017. Running led adalah lampu berjalan yang dibangun menggunakan led yang disusun sedemikian rupa sehingga pada saat dihidupkan seperti berjalan. See in the circuit above.
4017 ic is a cmos counter/divider integrated circuit, actually a decada counter with 10 decode ouputs.
4017 ic is a cmos counter/divider integrated circuit, actually a decada counter with 10 decode ouputs. It uses a 555 timer and a 4017b decade counter. Detailed working and explanation of the circuit diagram with pcb design. It switches on/off a white led or electrical . The second circuit is based on ic cd4017, where we have chasing leds. The lm358 compares the voltage across the ir receiver led with the predefined value. Watch in this video, variable running light circuit using ic cd4017. If you want to build a 10 led chaser circuit we recommend this circuit first. There we have discussed that when a clock signal is applied to pin 14 of ic 4017, its outputs change state sequentially with every. This is running leds circuit which use timer id ne555n and logic ic 4017n. You have already learnt quite a bit regarding the pin designation of this ic in one of my previous articles. This article discusses an overview of ic 4017 decade counter,pin configuration, features, applications like circling leds and running light. Ic 4017 juga merupakan salah satu komponen ic yang populer.
Knight rider | led chaser 4017+555+4017 ic for more effect. It switches on/off a white led or electrical appliances through claps. In this 4017 project, i have shown how to make a motion sensor light switch using the cd4017 ic and ir circuit of the motion sensor light. Skema rangkaian running led unik menggunakan ic 4017 | oke, running led atau led berjalan ini adalah suatu rangkaian yang mampu membuat suatu led yang berjejer meyala berikut ini saya akan berikan juga tata letak beserta penjaluran dari rangkaian running led dengan 4017 dan ic 555 ini. The second circuit is based on ic cd4017, where we have chasing leds.
Running Led With 4017 Electronic Circuit from 1.bp.blogspot.com In this 4017 project, i have shown how to make a motion sensor light switch using the cd4017 ic and ir circuit of the motion sensor light. Led matrix oscilloscope this circuit is an educational led matrix oscilloscope by using ic lm3914 and cd4017.the max. Running led with 4017 complete with pcb layout. The heart of the circuit of this led running light is the cmos ic 4017. The ic 4017 is a 16 pin dual featuring in line package ic consists of a 10 stage decade counter/barrier. Best project for festivalvariable running led lights circuit diagram link. Which the output pulse frequency at pin 3. Knight rider | led chaser 4017+555+4017 ic for more effect.
If r1 is replaced with 1m preset, the speed of the running light can be adjusted.
It switches on/off a white led or electrical appliances through claps. new amazing effect running led chaser led chaser using 555 and 4017 ic. In the first circuit, we have implemented a flashing leds with the help of transistor based astable multivibrator. Best project for festivalvariable running led lights circuit diagram link. You can easily make this 4017 circuit with some basic components. Knight rider | led chaser 4017+555+4017 ic for more effect. Ko lampu bisa jalan ya? 04:24 hello friends, today in this video i have shown how to make nice led matrix display using dual 4017 ic, and single ne555 ic as frequency generator. The second circuit is based on ic cd4017, where we have chasing leds. Ic 555 act as a multivibrator and generate frequency to be used for 4017 clock. This is the circuit of a very sensitive clap switch. Skema rangkaian running led unik menggunakan ic 4017 | oke, running led atau led berjalan ini adalah suatu rangkaian yang mampu membuat suatu led yang berjejer meyala berikut ini saya akan berikan juga tata letak beserta penjaluran dari rangkaian running led dengan 4017 dan ic 555 ini. We have created 4 different led running lights circuits using very simple components.
Berbagi
Posting Komentar
untuk "Running Led Ic 4017 - Praktek Led Berjalan Dengan Ic 4017 Cara Mudah Belajar Elektronika Digital - Circuit diagram of the cd4017 based led light is shown in fig."
Posting Komentar untuk "Running Led Ic 4017 - Praktek Led Berjalan Dengan Ic 4017 Cara Mudah Belajar Elektronika Digital - Circuit diagram of the cd4017 based led light is shown in fig."